Новости:

W202club.su - русскоязычный форум клуба любителей и владельцев автомобилей Мерседес-Бенц с акцентом на C-класс в кузове W202.

Главное меню

С220 Sport. Что может потребовать контроля и замены через 20 лет

Автор Uraff, 18 марта 2013, 10:52:54

« назад - далее »

0 Пользователи и 1 гость просматривают эту тему.

UraffАвтор темы

Жидкость в ГУР

Fuchs TITAN PSF 1 литр, допуск 236.3 артикул 600631819, оригинальный номер A 000 989 88 03



Цена вопроса: 340 р. - 1 литр. (требуется 1 литр)

UraffАвтор темы

Цитата: dedon от 28 октября 2013, 06:31:57
Цитата: Uraff от 27 октября 2013, 11:58:58Жидкость в ГУР

оригинальный номер A 000 989 88 03

Под этим номером канистра 0,5 л.

Ну 10 добавь в конце (A 000 989 88 03 10) и будет тебе литр.

UraffАвтор темы

Жидкость ATF для АКПП

Fuchs TITAN ATF 4000 5 литров, допуски 236.1 236.9 артикул 600632007



Цена вопроса: 1 500 р. - 5 литров (требуется 5.5 литров)

UraffАвтор темы

Про цепь привода ГРМ (в «стопервый» раз на этом форуме)  :D

Vaico V30-0418 она же IWIS 50026967 (оригинальный номер MB A 003 997 17 94)



Цена вопроса 1 500 р.

P.S. А это называется «найдите 10 отличий»  :D

Замок который шёл в комплекте с цепью Vaico V30-0418



Оригинальный замок MB A 000 997 22 98



UraffАвтор темы

#139
Ретрофит фар (Установка ксенона и ДХО) #1

Блок розжига Hella 5DV 007.760-631



Цена вопроса: 4200 р - 1шт. (требуется 2шт.)

UraffАвтор темы

#140
Ретрофит фар (Установка ксенона и ДХО) #2

Ксеноновые лампы D2S Philips 85122+ (довольно качественная копия)
   


Цена вопроса: 900 р - 1шт. (требуется 2шт.)

P.S. Эти лампы для теста, рабочие будут - "XENARC NIGHT BREAKER UNLIMITED"


UraffАвтор темы

#141
Ретрофит фар (Установка ксенона и ДХО) #3

Коннектор (для блока розжига) Hella 8JD 156 151-807



Цена вопроса: 100 р - 1шт. (требуется 2шт.)


UraffАвтор темы

#142
Ретрофит фар (Установка ксенона и ДХО) #4

Кольцо крепления ксеноновой лампы BMW 63 11 7 162 087 (производитель Hella)



Цена вопроса: 300 р - 1шт. (требуется 2шт.)

P.S. А это Китай (как говорится – «почувствуйте разницу»)



UraffАвтор темы

#143
Ретрофит фар (Установка ксенона и ДХО) #5

Билинза Hella 3R зеркальная, точная копия Hella`ы 3 зеркальной (идёт без болтов и с китайским кольцом)



Цена вопроса: 2 500 р - 1шт. (требуется 2шт.)

UraffАвтор темы

#144
Ретрофит фар (Установка ксенона и ДХО) #6

Рефлектор от фары Depo для рестайла (440-1121L-LD-EM – левая, 440-1121R-LD-EM - правая)

До переделки



После обрезки под линзу



UraffАвтор темы

#145
Ретрофит фар (Установка ксенона и ДХО) #7

Билинза Hella 3R с креплением (крепление «хэнд мэйд» сделано из полос Дюрали© 30х2мм, болты диаметр 5мм)



UraffАвтор темы

#146
Ретрофит фар (Установка ксенона и ДХО) #8

Светодиодные фары дневного света OULONDUN H007-II (копия ДХО - Hella LEDayFlex 2PT 010 458-811) 3х режимные с блоками управления (фото РБР Авто)



Цена комплекта – 1 200 р.

UraffАвтор темы

#147
Ретрофит фар (Установка ксенона и ДХО) #9

Стёкла фар рестайл AL Bosch 1 305 623 016 левое, 1 305 623 017 правое



Цена вопроса: 2 000 р – левое и правое.

P.S. Стёкла нужно отшлифовать перед окончательной установкой на фару с линзой (примерно так как на W129)


UraffАвтор темы

#148
Ретрофит фар (Установка ксенона и ДХО) #10

Фара в сборе пока без бленды и стекло не отшлифовано (билинза, ДХО, блоки управления ксеноном и ДХО, коннектор ПТФ выведен, жёлтый провод от блока управления ДХО коннектится с плюсом поворотника, в остальном фара работает от штатного разъёма)



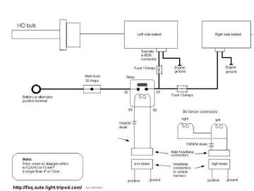
P.S. Да, плюс на соленоид билинзы запитывается от плюса штатного дальнего через диод 1N5404 или 1N5408 как на схеме от auto.light.tripod.com



ВАЖНО! Напомню ещё раз, оребрение с внутренней стороны стекла нужно убирать в обязательном порядке или ставить прозрачное акриловое стекло.

UraffАвтор темы

Цитата: Medvedev от 10 декабря 2013, 20:49:52
Я только не уловил как корректор фар реализован.

Корректор Hella 8XX 010 315-001