Новости:

W202club.su - русскоязычный форум клуба любителей и владельцев автомобилей Мерседес-Бенц с акцентом на C-класс в кузове W202.

Главное меню

горит лампочка уровня охлаждающей жидкости

Автор MAREGIK, 24 мая 2013, 14:11:57

« назад - далее »

0 Пользователи и 1 гость просматривают эту тему.

Kira


Никита-Беларусь

Sergunek,они прозваниваются,питание не приходит на датчик ОЖ

Никита-Беларусь

Сегодня обнаружилось,что на датчике ОЖ нету массы. При замыкании на корпус напряжение почти 8V. Вопрос: может кто знает где провод массы от этиго датчика крепится к кузову,где его проверить?

Almay

#18
Цитата: Никита-Беларусь от 08 марта 2016, 19:45:58где провод массы от этиго датчика крепится к кузову
если расширительный бачок есть , тут


Никита-Беларусь

Цитата: Almay от 08 марта 2016, 19:55:04
Цитата: Никита-Беларусь от 08 марта 2016, 19:45:58где провод массы от этиго датчика крепится к кузову
если расширительный бачок есть , тут

спасибо,завтра дальше буду смотреть

Kira


Никита-Беларусь


eraiser

Starfinder называется , качается торентом
Занимаюсь запчастями для а/м

Kira


Никита-Беларусь

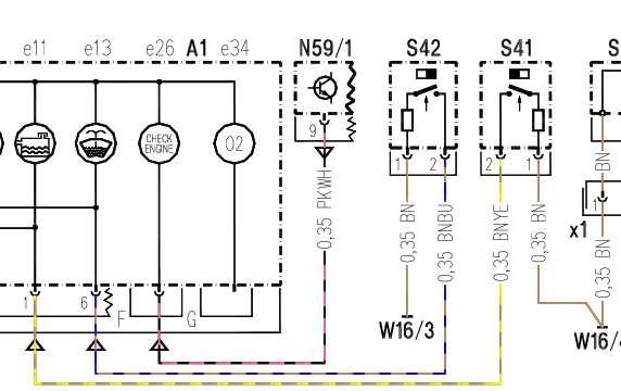
Непонятки продолжаюся.. К датчикам подходят по два провода,один из который одинакового цвета.я так понимаю это общий провод общая масса. К датчику уровня антифриза питание вообще не приходит.разрезал сегодня провод массы около датчика уровня антифриза и напрямую подцепил его на кузов. В итоге лампа уровня антифриза погасла,НО загорелась лампа уровня омывайки,хотя бачек полный. Померил напряжение на фишке датчика омывайки и там его не оказалось. Вернул все провода в исходное состояние и снова горит лампа уровня антифриза,и напряжение на датчик не приходит. Два провода от датчика уровня антифриза в оплетке подходят к блоку предохранителей,где уходят в толстый жгут проводов,который как я понял идет в салон автомобиля. Да и когда омывайка заканчивается,то лампа не загорается,хотя датчик исправый,проверялся и ставился другой исправный. Уже и не знаю куда дальше лезть теперь и что смотреть,подскажите.

Pavel0861


Oleg_373

смотри : схема ,поданная выше,-видимо для первых 202. но во всех остальных схематика работает последовательно с датчиком омывателя (там все и сгнивает  внутри) . щиток по сопротивлению определяет чего не хватает : ОЖ или оывателя. как правило ,если в омывателе все сгнило-то материться на ОЖ. сопротивление в омывателе 180Ом полный  и 0 ,когда пусто...
Диагностика и ремонт MercedesBenz