Новости:

W202club.su - русскоязычный форум клуба любителей и владельцев автомобилей Мерседес-Бенц с акцентом на C-класс в кузове W202.

Главное меню

C280 подкапотная проводка.

Автор Ilnur1993, 11 января 2015, 00:56:05

« назад - далее »

0 Пользователи и 1 гость просматривают эту тему.

Ilnur1993Автор темы

Добрый вечер.
Недавно купил с280 с проблемной колхозной подкапотной проводкой. Машина не заводится.
Что нужно чтобы машина завелась хоть как-нибудь? Катушки+форсунки+датчик коленвала хватит? Без дросельной заслонки заведется? там вообще лютый колхоз у меня..

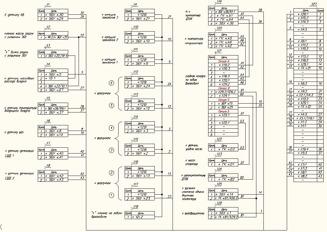
Нашел несколько схем подкапотной проводки. Вот одна из них..

Судя по схеме вся проводка вставляется в колодку Эбу где контакты от 1 до 44.
У меня же почему-то эта колодка вставляется в колодку ЭБУ где контакты от 45 до ХХ. Как так?

И еще если у кого завалялась схемка зака зажигания - скиньте пожалуйста)

koster_05

Привет! Моя схема, узнаю  :). Нумерация контактов в колодке ЭБУ приведена условно, поэтому привзяываться к ней не стоит. Главное понять соответствие цепей датчиков к контактам колодки ЭБУ. Нумерация от ниджнего левого контакта СЛЕВА - НАПРАВО, СНИЗУ - ВВЕРХ, разъем смотрит на вас, а выходящие из него провода - налево.

Цепь на дросель в том же жгуте или отдельно? Год выпуска какой? На 92-94 экранированные кабели не трогай.

П.С. На с280 у меня дома новый заводской жгут висит.
Парни, здесь практически не бываю, можете найти на oldmerin.net, мой профиль
8(926)-342-87-39

Ilnur1993Автор темы

Именно твой ответ я и хотел услышать) спасибо.
Проводка на дроссель в этом же жгуте. экранированных проводов нет, т.к. Вся проводка некачественный колхоз. Машина 94года

Ilnur1993Автор темы

Собственно такая ситуация сейчас под капотом -


А вот так выглядит жгут дросельной заслонки -


[/url
Где найти схемы подключения ДЗ?  Заведется ли машина без ДМРВ?

В начале жгута отходит ветвь похожая на массу - масса ли это? И откуда маленький коричневый проводок?

[url=http://postimage.org/]


А вот так выглядит "Главная колодка"-



Но она вроде как для меня сейчас не критична.. Стартер крутит и ладно. Верно?

koster_05

Жесть! Это просто лютый колхоз.
Парни, здесь практически не бываю, можете найти на oldmerin.net, мой профиль
8(926)-342-87-39

Вениаминыч

Цитата: Ilnur1993 от 11 января 2015, 18:31:26А вот так выглядит "Главная колодка"-
Ужас! :o
Спалите мозги двигателя и машину с такой проводкой